





Az oldalsó pólót a csőn áthaladó folyadék- vagy gázfolyadékok irányának megváltoztatására használják. Képes csökkenteni a turbulenciát és a súrlódást, ezáltal növelve a folyadék áramlását.
Az ilyen típusú póló különösen hasznos a forgatókönyvekben, ahol az áramlást szögben kell átirányítani, miközben egy kisebb csőméretre is áttér. Az alkalmazást olyan iparágakban és rendszerekben találja meg, ahol a folyadék- vagy gázeloszlás megköveteli a cső átmérőjének változásait, valamint az oldalsó elágazást. Az oldalsó redukáló póló megkönnyíti a különböző méretű csövek közötti sima átmenetet, miközben hatékonyan szabályozza az áramlási irányt.
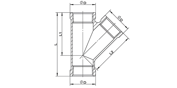
Az oldalsó póló egyfajta póló illesztés, amelynek 45 fokos ággal rendelkezik a csővezetéktől. Amikor az oldalsó pólót a csövekkel telepítik, a hegesztőknek meg kell jegyezniük az áramlási irányt. Mivel a fő futócsőhöz az ág 45 fok és 135 fokos szög. Az ág speciális alakja és iránya miatt az oldalsó pólót két csődarabból készítik, majd összekapcsolják.
Az oldalsó pólócsövek szerelvényeinek vannak olyan tulajdonságai, mint: nagy a víz elleni ellenállás, a tartósság, a korrózióállóság,
Bevezetés
| Oldalsó póló | |
| Tétel | Rozsdamentes acél menetes oldalsó póló |
| Standard | ASME / ANSI - B 16.9, ASTM A403 - ASME SA403, ASME B16.9, ASME B16.25, ASME B16.28, MSS SP -43 |
| Anyag | Stainless steel: 304, F304(S30408), F316(S31608), F321(S32168), 304L(S30403), F316L(S31603), 316L(high Mo), 00Cr17Ni14Mo2, F51(S22253), F60, F304H (S30409), F316H (S31609), F321H (S32169), F321H Low S.P, M-400, F53, 316TI, 317, 317L, 347, 347H (S34779), 310S, F304 Low S.P, 304L S.P, F316L (S3479) Alacsony S.P, F5teel |
| Felület | CS-Galvanizált vagy fekete foszfát, rozsdamentes OI, SS-válogatott és lágyított, csiszolt, lövés robbantott |
| Beír | Precíziós casting |
| méret | 1/4 "-2", fogadja el a testreszabást |
| Szállítási idő | Az előre fizetett 5-30 napon belül |
| Csomagolás | A termék felületét műanyag fóliával vagy buborékpapírral csomagolják, és mindkét vége védelmet nyújt. |
| Alkalmazás | Kőolaj, vegyi anyag, gép, kazán, elektromos, hajógyártás stb. |
| Méret | DN | Φd | L | L1 | L2 |
| 1/4 " | 8 | 18.0 | 55.0 | 32.5 | 33.0 |
| 3/8 " | 10 | 21.5 | 60.0 | 38.0 | 38.5 |
| 1/2 " | 15 | 26.5 | 65.0 | 45.5 | 46.5 |
| 3/4 " | 20 | 32.0 | 80.0 | 54.0 | 55.5 |
| 1 " | 25 | 39.5 | 90.0 | 65.0 | 66.0 |
| 1 1/4 " | 32 | 48.5 | 104.0 | 75.0 | 76.0 |
| 1 1/2 " | 40 | 55.0 | 120.0 | 88.0 | 88.0 |
| 2 " | 50 | 67.0 | 138.0 | 105.0 | 107.0 |
2007 -ben alapították, és 2022 -ben a Zhejiang tartomány Longyou Gazdasági Fejlesztési Zónájába költöztek.
Átadta az ISO9001: 2008 Minőségirányítási Rendszert, a PED 97/3/EC EU nyomású berendezések igazolását, a kínai speciális berendezések gyártási engedélyét (nyomócső) TS tanúsítás, ASME tanúsítás, tartományi vállalati szabványosítási menedzsment rendszer, ISO14000: 2004 Környezetkezelési rendszer, Cleaner Production (Green Enterprise) és egy sor, valamint a Kínai Classification Society (CCS), CC -k), valamint a Kínai Classification Society (CCS), Hajózás (LR), Deutsche Veritas (GL), Bureau Veritas Society (BV), Det Norske Veritas (DNV) és a Koreai Hajózási Nyilvántartás (KR) Gyári tanúsítás.
A fő termékek közé tartoznak a rozsdamentes acélcsövek, a csőszerelvények, a karimák, a szelepek stb., Amelyeket széles körben használnak a kőolajban, a vegyiparban, az atomiparban, az olvasztásban, a hajógyártásban, a gyógyszerek, az élelmiszerek, a vízkonzerválások, az elektromos energia, az új energia, a mechanikai berendezések és más mezőkben. A társaság betartja a „túlélés, a fejlesztési hírnév” és a teljes szívből minden ügyfelet, hogy mindenki számára hasznos helyzetet teremtsen.





Mass Density of Mild Steel: Basics and Practical Importance The mass density of mild steel is a fundamental property that directly affects how engineers and designers size components, estimate weight,...
Tekintse meg többetAz alacsony ötvözetű acélanyagok bemutatása A gyengén ötvözött acél egy olyan acélfajta, amely a szén mellett kis százalékban, jellemzően 8%-nál kevesebb ötvözőelemet tartalmaz. Ezeket az elemek...
Tekintse meg többetÁttekintés – mit jelent a "súly per köbhüvelyk" a rozsdamentes acél esetében A „súly köbhüvelykenként” egyszerűen egy köbhüvelyknyi anyag tömege (fontban). A rozsdamentes acél esetében ez az ötv...
Tekintse meg többetSoha nem osztjuk meg az e -mail címét és Önt
Bármikor kiléphet, ígérjük.