





A Cross Cső egy csőszerelvény, amelyet négy cső kereszteződésénél használnak. Lehet egy bemeneti és három aljzat, vagy lehet egy bemeneti nyílás és egy kimenet. A kimeneti és bemeneti átmérőjűek lehetnek azonos vagy eltérőek.
Ha az ágcső mérete kisebb, mint a fő csőméret, akkor általában redukáló keresztnek hívjuk. Ez eléri a szükséges áramlást és nyomást a csővezeték rendszeren keresztül. Ezeknek a redukáló keresztcsövet illesztésnek gyakran oldószerhegesztett aljzatok vagy nőszálú végei vannak.
A rozsdamentes acélcsökkentő kereszteket széles körben használják a vízvezeték-rendszerekben. Ezek azok a szerelvények, amelyek összekötik a különféle csöveket, és lehetővé teszik az út átalakulását. Ezek a redukáló keresztek segítenek a folyadékok biztonságos mozgásában.
Az általános ipari alkalmazásokban ritkábban csökkent a keresztszegények csökkentése. Csak néhány olyan helyzet van, amikor a keresztszerelvények csökkentése, például a sürgősségi rendszerek vagy a kertészkedés, a háztartási alkalmazások stb. Tűzoltó sprinklerei, stb.
Bevezetés
| Kereszt csökkentése | |
| Tétel | Rozsdamentes acél redukáló kereszt |
| Standard | ASME: ANSI B16.9, ANSI B16.28, MSS-SP-43 GB: GB/T12459, GB/T13401, HG/T21635, HG/T21631 |
| Anyag | Rozsdamentes acél OCR18NI9 fokozat, 0CR18NI9TI, 1CR18NI9TI; 304, 304L, 316, 316L, 317, 317L, 321, 321H Kétfázisú rozsdamentes acél ASTM A815-S31803 、 S32750 、 S32760 Super Steel ASTM 904L 、 B366-N08904 、 A403-WP317、317L |
| Felület | Forró horganyzott |
| Beír | Duzzanat képződés |
| méret | ½ "-48" |
| Szállítási idő | Az előre fizetett 5-30 napon belül |
| Csomagolás | Csomagolás általában rétegelt tokokkal, minden egyes termékkel, amely jól tele van filmekkel. |
| Alkalmazás | Energiatermelés, petrolkémiai, hajógyártás, papírgyártás, vegyi, gyógyszerészeti és gyártás. |
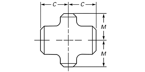
| Névleges csőméret | O.D. A Bevel -nél | Középpontba | |||
| NPS | Fut | Kimenő kimenő | Futtatni a C -t | Mutlet | |
| ½ | ¼ | 0.84 | 0.54 | 1.00 | 1.00 |
| ½ | 3/8 | 0.84 | 0.68 | 1.00 | 1.00 |
| ¾ | 3/8 | 1.05 | 0.68 | 1.12 | 1.12 |
| ¾ | ½ | 1.05 | 0.84 | 1.12 | 1.12 |
| 1 | ½ | 1.32 | 0.84 | 1.50 | 1.50 |
| 1 | ¾ | 1.32 | 1.05 | 1.50 | 1.50 |
| 1¼ | ½ | 1.66 | 0.84 | 1.88 | 1.88 |
| 1¼ | ¾ | 1.66 | 1.05 | 1.88 | 1.88 |
| 1¼ | 1 | 1.66 | 1.32 | 1.88 | 1.88 |
| 1½ | ½ | 1.90 | 0.84 | 2.25 | 2.25 |
| 1½ | ¾ | 1.90 | 1.05 | 2.25 | 2.25 |
| 1½ | 1 | 1.90 | 1.66 | 2.25 | 2.25 |
| 1½ | 1¼ | 1.90 | 1.66 | 2.25 | 2.25 |
| 2 | ¾ | 2.38 | 1.05 | 2.50 | 1.75 |
| 2 | 1 | 2.38 | 1.32 | 2.50 | 2.00 |
| 2 | 1¼ | 2.38 | 1.66 | 2.50 | 2.25 |
| 2 | 1½ | 2.38 | 1.90 | 2.50 | 2.38 |
| 2½ | 1 | 2.88 | 1.32 | 3.00 | 2.25 |
| 2½ | 1¼ | 2.88 | 1.66 | 3.00 | 2.50 |
| 2½ | 1½ | 2.88 | 1.90 | 3.00 | 2.62 |
| 2½ | 2 | 2.88 | 2.38 | 3.00 | 2.75 |
| 3 | 1¼ | 3.50 | 1.66 | 3.38 | 2.75 |
| 3 | 1½ | 3.50 | 1.90 | 3.38 | 2.88 |
| 3 | 2 | 3.50 | 2.38 | 3.38 | 3.00 |
| 3 | 2½ | 3.50 | 2.88 | 3.38 | 3.25 |
| 3½ | 1½ | 4.00 | 1.90 | 3.75 | 3.12 |
| 3½ | 2 | 4.00 | 2.38 | 3.75 | 3.25 |
| 3½ | 2½ | 4.00 | 2.88 | 3.75 | 3.50 |
| 3½ | 3 | 4.00 | 3.50 | 3.75 | 3.62 |
| 4 | 1½ | 4.50 | 1.90 | 4.12 | 3.38 |
| 4 | 2 | 4.50 | 2.38 | 4.12 | 3.50 |
| 4 | 2½ | 4.50 | 2.88 | 4.12 | 3.75 |
| 4 | 3 | 4.50 | 3.50 | 4.12 | 3.88 |
| 4 | 3½ | 4.50 | 4.00 | 4.12 | 4.00 |
| 5 | 2 | 5.56 | 2.38 | 4.88 | 4.12 |
| 5 | 2½ | 5.56 | 2.88 | 4.88 | 4.25 |
| 5 | 3 | 5.56 | 3.50 | 4.88 | 4.38 |
| 5 | 3½ | 5.56 | 4.00 | 4.88 | 4.50 |
| 5 | 4 | 5.56 | 4.50 | 4.88 | 4.62 |
| 6 | 2½ | 6.62 | 2.88 | 5.62 | 4.75 |
| 6 | 3 | 6.62 | 3.50 | 5.62 | 4.88 |
| 6 | 3½ | 6.62 | 4.00 | 5.62 | 5.00 |
| 6 | 4 | 6.62 | 4.50 | 5.62 | 5.12 |
| 6 | 5 | 6.62 | 5.56 | 5.62 | 5.38 |
| 8 | 3½ | 8.62 | 4.00 | 7.00 | 6.00 |
| 8 | 4 | 8.62 | 4.50 | 7.00 | 6.12 |
| 8 | 5 | 8.62 | 5.56 | 7.00 | 6.38 |
| 8 | 6 | 8.62 | 6.62 | 7.00 | 6.62 |
| 10 | 4 | 10.75 | 4.50 | 8.50 | 7.25 |
| 10 | 5 | 10.75 | 5.56 | 8.50 | 7.50 |
| 10 | 6 | 10.75 | 6.62 | 8.50 | 7.62 |
| 10 | 8 | 10.75 | 8.62 | 8.50 | 8.00 |
| 12 | 5 | 12.75 | 5.56 | 10.00 | 8.50 |
| 12 | 6 | 12.75 | 6.62 | 10.00 | 8.62 |
| 12 | 8 | 12.75 | 8.62 | 10.00 | 9.00 |
| 12 | 10 | 12.75 | 10.75 | 10.00 | 9.50 |
| 14 | 6 | 14.00 | 6.62 | 11.00 | 9.38 |
| 14 | 8 | 14.00 | 8.62 | 11.00 | 9.75 |
| 14 | 10 | 14.00 | 10.75 | 11.00 | 10.12 |
| 14 | 12 | 14.00 | 12.75 | 11.00 | 10.62 |
| 16 | 6 | 16.00 | 6.62 | 12.00 | 10.38 |
| 16 | 8 | 16.00 | 8.62 | 12.00 | 10.75 |
| 16 | 10 | 16.00 | 10.75 | 12.00 | 11.12 |
| 16 | 12 | 16.00 | 12.75 | 12.00 | 11.62 |
| 16 | 14 | 16.00 | 14.00 | 12.00 | 12.00 |
| 18 | 8 | 18.00 | 8.62 | 13.50 | 11.75 |
| 18 | 10 | 18.00 | 10.75 | 13.50 | 12.12 |
| 18 | 12 | 18.00 | 12.75 | 13.50 | 12.62 |
| 18 | 14 | 18.00 | 14.00 | 13.50 | 13.00 |
| 18 | 16 | 18.00 | 16.00 | 13.50 | 13.00 |
| 20 | 8 | 20.00 | 8.62 | 15.00 | 12.75 |
| 20 | 10 | 20.00 | 10.75 | 15.00 | 13.12 |
| 20 | 12 | 20.00 | 12.75 | 15.00 | 13.62 |
| 20 | 14 | 20.00 | 14.00 | 15.00 | 14.00 |
| 20 | 16 | 20.00 | 16.00 | 15.00 | 14.00 |
| 20 | 18 | 20.00 | 18.00 | 15.00 | 14.50 |
| 22 | 10 | 22.00 | 10.75 | 16.50 | 14.12 |
| 22 | 12 | 22.00 | 12.75 | 16.50 | 14.62 |
| 22 | 14 | 22.00 | 14.00 | 16.50 | 15.00 |
| 22 | 16 | 22.00 | 16.00 | 16.50 | 15.00 |
| 22 | 18 | 22.00 | 18.00 | 16.50 | 15.50 |
| 22 | 20 | 22.00 | 20.00 | 16.50 | 16.00 |
| 24 | 10 | 24.00 | 10.75 | 17.00 | 15.12 |
| 24 | 12 | 24.00 | 12.75 | 17.00 | 15.62 |
| 24 | 14 | 24.00 | 14.00 | 17.00 | 16.00 |
| 24 | 16 | 24.00 | 16.00 | 17.00 | 16.00 |
| 24 | 18 | 24.00 | 18.00 | 17.00 | 16.50 |
| 24 | 20 | 24.00 | 20.00 | 17.00 | 17.00 |
| 24 | 22 | 24.00 | 22.00 | 17.00 | 17.00 |
| 26 | 12 | 26.00 | 12.75 | 19.50 | 16.62 |
| 26 | 14 | 26.00 | 14.00 | 19.50 | 17.00 |
| 26 | 16 | 26.00 | 16.00 | 19.50 | 17.00 |
| 26 | 18 | 26.00 | 18.00 | 19.50 | 17.50 |
| 26 | 20 | 26.00 | 20.00 | 19.50 | 18.00 |
| 26 | 22 | 26.00 | 22.00 | 19.50 | 18.50 |
| 26 | 24 | 26.00 | 24.00 | 19.50 | 19.00 |
| 28 | 12 | 28.00 | 12.75 | 20.50 | 17.62 |
| 28 | 14 | 28.00 | 14.00 | 20.50 | 18.00 |
| 28 | 16 | 28.00 | 16.00 | 20.50 | 18.00 |
| 28 | 18 | 28.00 | 18.00 | 20.50 | 18.50 |
| 28 | 20 | 28.00 | 20.00 | 20.50 | 19.00 |
| 28 | 22 | 28.00 | 22.00 | 20.50 | 19.50 |
| 28 | 24 | 28.00 | 24.00 | 20.50 | 20.00 |
| 28 | 26 | 28.00 | 26.00 | 20.50 | 20.50 |
| 30 | 10 | 30.00 | 10.75 | 22.00 | 18.12 |
| 30 | 12 | 30.00 | 12.75 | 22.00 | 18.62 |
| 30 | 14 | 30.00 | 14.00 | 22.00 | 19.00 |
| 30 | 16 | 30.00 | 16.00 | 22.00 | 19.00 |
| 30 | 18 | 30.00 | 18.00 | 22.00 | 19.50 |
| 30 | 20 | 30.00 | 20.00 | 22.00 | 20.00 |
| 30 | 22 | 30.00 | 22.00 | 22.00 | 20.50 |
| 30 | 24 | 30.00 | 24.00 | 22.00 | 21.00 |
| 30 | 26 | 30.00 | 26.00 | 22.00 | 21.50 |
| 30 | 28 | 30.00 | 28.00 | 22.00 | 21.50 |
| 32 | 14 | 32.00 | 14.00 | 23.50 | 20.00 |
| 32 | 16 | 32.00 | 16.00 | 23.50 | 20.00 |
| 32 | 18 | 32.00 | 18.00 | 23.50 | 20.50 |
| 32 | 20 | 32.00 | 20.00 | 23.50 | 21.00 |
| 32 | 22 | 32.00 | 22.00 | 23.50 | 21.50 |
| 32 | 24 | 32.00 | 24.00 | 23.50 | 22.00 |
| 32 | 26 | 32.00 | 26.00 | 23.50 | 22.50 |
| 32 | 28 | 32.00 | 28.00 | 23.50 | 22.50 |
| 32 | 30 | 32.00 | 30.00 | 23.50 | 23.00 |
| 34 | 16 | 34.00 | 16.00 | 25.00 | 21.00 |
| 34 | 18 | 34.00 | 18.00 | 25.00 | 21.50 |
| 34 | 20 | 34.00 | 20.00 | 25.00 | 22.00 |
| 34 | 22 | 34.00 | 22.00 | 25.00 | 22.50 |
| 34 | 24 | 34.00 | 24.00 | 25.00 | 23.00 |
| 34 | 26 | 34.00 | 26.00 | 25.00 | 23.50 |
| 34 | 28 | 34.00 | 28.00 | 25.00 | 23.50 |
| 34 | 30 | 34.00 | 30.00 | 25.00 | 24.00 |
| 34 | 32 | 34.00 | 32.00 | 25.00 | 24.50 |
| 36 | 16 | 36.00 | 16.00 | 26.50 | 22.00 |
| 36 | 18 | 36.00 | 18.00 | 26.50 | 22.50 |
| 36 | 20 | 36.00 | 20.00 | 26.50 | 23.00 |
| 36 | 22 | 36.00 | 22.00 | 26.50 | 23.50 |
| 36 | 24 | 36.00 | 24.00 | 26.50 | 24.00 |
| 36 | 26 | 36.00 | 26.00 | 26.50 | 24.50 |
| 36 | 28 | 36.00 | 28.00 | 26.50 | 24.50 |
| 36 | 30 | 36.00 | 30.00 | 26.50 | 25.00 |
| 36 | 32 | 36.00 | 32.00 | 26.50 | 25.50 |
| 36 | 34 | 36.00 | 34.00 | 26.50 | 26.00 |
| 38 | 18 | 38.00 | 18.00 | 28.00 | 23.50 |
| 38 | 20 | 38.00 | 20.00 | 28.00 | 24.00 |
| 38 | 22 | 38.00 | 22.00 | 28.00 | 24.50 |
| 38 | 24 | 38.00 | 24.00 | 28.00 | 25.00 |
| 38 | 26 | 38.00 | 26.00 | 28.00 | 25.50 |
| 38 | 28 | 38.00 | 28.00 | 28.00 | 25.50 |
| 38 | 30 | 38.00 | 30.00 | 28.00 | 26.50 |
| 38 | 32 | 38.00 | 32.00 | 28.00 | 27.00 |
| 38 | 34 | 38.00 | 34.00 | 28.00 | 27.50 |
| 38 | 36 | 38.00 | 36.00 | 28.00 | 28.00 |
| 40 | 18 | 40.00 | 18.00 | 29.50 | 24.50 |
| 40 | 20 | 40.00 | 20.00 | 29.50 | 25.00 |
| 40 | 22 | 40.00 | 22.00 | 29.50 | 25.50 |
| 40 | 24 | 40.00 | 24.00 | 29.50 | 26.00 |
| 40 | 26 | 40.00 | 26.00 | 29.50 | 26.50 |
| 40 | 28 | 40.00 | 28.00 | 29.50 | 26.50 |
| 40 | 30 | 40.00 | 30.00 | 29.50 | 27.50 |
| 40 | 32 | 40.00 | 32.00 | 29.50 | 28.00 |
| 40 | 34 | 40.00 | 34.00 | 29.50 | 28.50 |
| 40 | 36 | 40.00 | 36.00 | 29.50 | 29.00 |
| 40 | 38 | 40.00 | 38.00 | 29.50 | 29.50 |
| 42 | 16 | 42.00 | 16.00 | 30.00 | 25.00 |
| 42 | 18 | 42.00 | 18.00 | 30.00 | 25.50 |
| 42 | 20 | 42.00 | 20.00 | 30.00 | 26.00 |
| 42 | 22 | 42.00 | 22.00 | 30.00 | 26.00 |
| 42 | 24 | 42.00 | 24.00 | 30.00 | 26.00 |
| 42 | 26 | 42.00 | 26.00 | 30.00 | 27.50 |
| 42 | 28 | 42.00 | 28.00 | 30.00 | 27.50 |
| 42 | 30 | 42.00 | 30.00 | 30.00 | 28.00 |
| 42 | 32 | 42.00 | 32.00 | 30.00 | 28.00 |
| 42 | 34 | 42.00 | 34.00 | 30.00 | 28.00 |
| 42 | 36 | 42.00 | 36.00 | 30.00 | 28.00 |
| 42 | 38 | 42.00 | 38.00 | 30.00 | 28.00 |
| 42 | 40 | 42.00 | 40.00 | 30.00 | 28.00 |
| 44 | 20 | 44.00 | 20.00 | 32.00 | 27.00 |
| 44 | 22 | 44.00 | 22.00 | 32.00 | 27.00 |
| 44 | 24 | 44.00 | 24.00 | 32.00 | 27.50 |
| 44 | 26 | 44.00 | 26.00 | 32.00 | 27.50 |
| 44 | 28 | 44.00 | 28.00 | 32.00 | 27.50 |
| 44 | 30 | 44.00 | 30.00 | 32.00 | 28.00 |
| 44 | 32 | 44.00 | 32.00 | 32.00 | 28.00 |
| 44 | 34 | 44.00 | 34.00 | 32.00 | 28.50 |
| 44 | 36 | 44.00 | 36.00 | 32.00 | 28.50 |
| 44 | 38 | 44.00 | 38.00 | 32.00 | 29.00 |
| 44 | 40 | 44.00 | 40.00 | 32.00 | 29.50 |
| 44 | 42 | 44.00 | 42.00 | 32.00 | 30.00 |
| 46 | 22 | 46.00 | 22.00 | 33.50 | 28.50 |
| 46 | 24 | 46.00 | 24.00 | 33.50 | 28.50 |
| 46 | 26 | 46.00 | 26.00 | 33.50 | 29.00 |
| 46 | 28 | 46.00 | 28.00 | 33.50 | 29.00 |
| 46 | 30 | 46.00 | 30.00 | 33.50 | 29.00 |
| 46 | 32 | 46.00 | 32.00 | 33.50 | 29.50 |
| 46 | 34 | 46.00 | 34.00 | 33.50 | 29.50 |
| 46 | 36 | 46.00 | 36.00 | 33.50 | 30.00 |
| 46 | 38 | 46.00 | 38.00 | 33.50 | 30.00 |
| 46 | 40 | 46.00 | 40.00 | 33.50 | 30.50 |
| 46 | 42 | 46.00 | 42.00 | 33.50 | 31.00 |
| 46 | 44 | 46.00 | 44.00 | 33.50 | 31.50 |
| 48 | 22 | 48.00 | 22.00 | 35.00 | 29.00 |
| 48 | 24 | 48.00 | 24.00 | 35.00 | 29.00 |
| 48 | 26 | 48.00 | 26.00 | 35.00 | 30.00 |
| 48 | 28 | 48.00 | 28.00 | 35.00 | 30.00 |
| 48 | 30 | 48.00 | 30.00 | 35.00 | 30.00 |
| 48 | 32 | 48.00 | 32.00 | 35.00 | 31.00 |
| 48 | 34 | 48.00 | 34.00 | 35.00 | 31.00 |
| 48 | 36 | 48.00 | 36.00 | 35.00 | 31.00 |
| 48 | 38 | 48.00 | 38.00 | 35.00 | 32.00 |
| 48 | 40 | 48.00 | 40.00 | 35.00 | 32.00 |
| 48 | 42 | 48.00 | 42.00 | 35.00 | 32.00 |
| 48 | 44 | 48.00 | 44.00 | 35.00 | 33.00 |
| 48 | 46 | 48.00 | 46.00 | 35.00 | 33.00 |
2007 -ben alapították, és 2022 -ben a Zhejiang tartomány Longyou Gazdasági Fejlesztési Zónájába költöztek.
Átadta az ISO9001: 2008 Minőségirányítási Rendszert, a PED 97/3/EC EU nyomású berendezések igazolását, a kínai speciális berendezések gyártási engedélyét (nyomócső) TS tanúsítás, ASME tanúsítás, tartományi vállalati szabványosítási menedzsment rendszer, ISO14000: 2004 Környezetkezelési rendszer, Cleaner Production (Green Enterprise) és egy sor, valamint a Kínai Classification Society (CCS), CC -k), valamint a Kínai Classification Society (CCS), Hajózás (LR), Deutsche Veritas (GL), Bureau Veritas Society (BV), Det Norske Veritas (DNV) és a Koreai Hajózási Nyilvántartás (KR) Gyári tanúsítás.
A fő termékek közé tartoznak a rozsdamentes acélcsövek, a csőszerelvények, a karimák, a szelepek stb., Amelyeket széles körben használnak a kőolajban, a vegyiparban, az atomiparban, az olvasztásban, a hajógyártásban, a gyógyszerek, az élelmiszerek, a vízkonzerválások, az elektromos energia, az új energia, a mechanikai berendezések és más mezőkben. A társaság betartja a „túlélés, a fejlesztési hírnév” és a teljes szívből minden ügyfelet, hogy mindenki számára hasznos helyzetet teremtsen.





Mass Density of Mild Steel: Basics and Practical Importance The mass density of mild steel is a fundamental property that directly affects how engineers and designers size components, estimate weight,...
Tekintse meg többetAz alacsony ötvözetű acélanyagok bemutatása A gyengén ötvözött acél egy olyan acélfajta, amely a szén mellett kis százalékban, jellemzően 8%-nál kevesebb ötvözőelemet tartalmaz. Ezeket az elemek...
Tekintse meg többetÁttekintés – mit jelent a "súly per köbhüvelyk" a rozsdamentes acél esetében A „súly köbhüvelykenként” egyszerűen egy köbhüvelyknyi anyag tömege (fontban). A rozsdamentes acél esetében ez az ötv...
Tekintse meg többetSoha nem osztjuk meg az e -mail címét és Önt
Bármikor kiléphet, ígérjük.