





A rozsdamentes acél unió egy olyan átmeneti ízület, amelyet általában a csövek átalakításához használnak, és két cső vagy csöves rendszer csőcsatlakozásainak csatlakoztatására és leválasztására használják. Két részből áll, ez a hurok típusú csatlakozási módszer gyorsan és egyszerűen szétszerelhető, ami előnyös a csővezeték karbantartásához, javításához és egyéb műveletekhez.
A kovácsolt szakszervezetek rozsdamentes acélból készülnek, hogy biztosítsák a szerkezeti integritást a nagynyomású alkalmazásokban, és megbízhatóságot és tartósságot biztosítsanak, különféle környezetekhez és munkakörülményekhez, valamint a csőcsatlakozási igényekhez alkalmas.
A rozsdamentes acél szakszervezeteket széles körben használják az alacsony nyomású csővezeték-rendszerekben. Gyakran használják azokat a csővezeték -rendszerekben vegyi, kőolaj-, élelmiszer -feldolgozó, gyógyszerészeti és egyéb iparágakban. Ezeket a csővezetékek, szelepek, berendezések vagy más kiegészítők csatlakoztatására is használják, amelyek magas hőmérsékleten vagy speciális közepes sebességváltóhoz alkalmasak.
Bevezetés
| Tétel | Rozsdamentes acél szakszervezet |
| Standard | 3A, DIN, SMS, IDF, BPE, BS, ISO |
| Anyag | Rozsdamentes acél |
| Felület | CNC megmunkált |
| Beír | Befektetési öntvény öntöde- viasz elveszett technológia |
| méret | 1/8 "-3" |
| Szállítási idő | Az előre fizetett 5-30 napon belül |
| Csomagolás | Zsugorodó wrapper- Carton-Plywood tok |
| Alkalmazás | Élelmiszer, ital, vegyi, gyógyszertár, biotechnológia, kozmetikai és egyéb iparágak a rozsdamentes acél csövek területén |
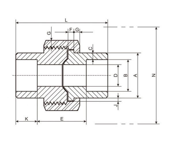
MéreteK - milliméterben
| NPS | Méret | A | B | C | D (max) | D (min) | k | E | F | G | J (min) | L | N |
| 1/8 " | 6 | 14.7 | 9.88 | 2.41 | 8.43 | 6.34 | 9.5 | 22.4 | 3.18 | 3.18 | 1.24 | 41.4 | 50.8 |
| 1/4 " | 8 | 19 | 12.96 | 3.02 | 11.13 | 9.45 | 9.5 | 22.4 | 3.18 | 3.18 | 1.24 | 41.4 | 50.8 |
| 3/8 " | 10 | 22.9 | 16.5 | 3.2 | 14.27 | 13.51 | 9.5 | 27 | 3.43 | 3.43 | 1.37 | 46 | 55.9 |
| 1/2 " | 15 | 27.7 | 20.24 | 3.73 | 17.86 | 17.07 | 9.5 | 30 | 3.68 | 3.68 | 1.5 | 49 | 58.4 |
| 3/4 " | 20 | 33.5 | 25.68 | 3.91 | 23.01 | 21.39 | 12.5 | 31.9 | 4.06 | 4.06 | 1.68 | 56.9 | 66 |
| 1 " | 25 | 41.4 | 32.3 | 4.55 | 28.98 | 27.74 | 12.5 | 37 | 4.57 | 4.45 | 1.85 | 62 | 78.7 |
| 1 1/4 " | 32 | 50.5 | 40.8 | 4.85 | 37.69 | 35.36 | 12.5 | 46.1 | 5.33 | 5.21 | 2.13 | 71.1 | 94 |
| 1 1/2 " | 40 | 57.2 | 47.04 | 5.08 | 43.54 | 41.2 | 12.5 | 51.5 | 5.84 | 5.59 | 2.31 | 76.5 | 111.8 |
| 2 " | 50 | 70.1 | 59.02 | 5.54 | 55.58 | 52.12 | 16 | 54.1 | 6.60 | 6.35 | 2.69 | 86.1 | 132.1 |
| 2 1/2 " | 65 | 85.3 | 71.28 | 7.01 | 66.27 | 64.31 | 16 | 70.4 | 7.49 | 7.11 | 3.07 | 102.4 | 149.9 |
| 3 " | 80 | 102.4 | 887.16 | 7.62 | 88.25 | 77.27 | 16 | 77 | 8.26 | 8.00 | 3.53 | 109 | 175.3 |
2007 -ben alapították, és 2022 -ben a Zhejiang tartomány Longyou Gazdasági Fejlesztési Zónájába költöztek.
Átadta az ISO9001: 2008 Minőségirányítási Rendszert, a PED 97/3/EC EU nyomású berendezések igazolását, a kínai speciális berendezések gyártási engedélyét (nyomócső) TS tanúsítás, ASME tanúsítás, tartományi vállalati szabványosítási menedzsment rendszer, ISO14000: 2004 Környezetkezelési rendszer, Cleaner Production (Green Enterprise) és egy sor, valamint a Kínai Classification Society (CCS), CC -k), valamint a Kínai Classification Society (CCS), Hajózás (LR), Deutsche Veritas (GL), Bureau Veritas Society (BV), Det Norske Veritas (DNV) és a Koreai Hajózási Nyilvántartás (KR) Gyári tanúsítás.
A fő termékek közé tartoznak a rozsdamentes acélcsövek, a csőszerelvények, a karimák, a szelepek stb., Amelyeket széles körben használnak a kőolajban, a vegyiparban, az atomiparban, az olvasztásban, a hajógyártásban, a gyógyszerek, az élelmiszerek, a vízkonzerválások, az elektromos energia, az új energia, a mechanikai berendezések és más mezőkben. A társaság betartja a „túlélés, a fejlesztési hírnév” és a teljes szívből minden ügyfelet, hogy mindenki számára hasznos helyzetet teremtsen.





Mass Density of Mild Steel: Basics and Practical Importance The mass density of mild steel is a fundamental property that directly affects how engineers and designers size components, estimate weight,...
Tekintse meg többetAz alacsony ötvözetű acélanyagok bemutatása A gyengén ötvözött acél egy olyan acélfajta, amely a szén mellett kis százalékban, jellemzően 8%-nál kevesebb ötvözőelemet tartalmaz. Ezeket az elemek...
Tekintse meg többetÁttekintés – mit jelent a "súly per köbhüvelyk" a rozsdamentes acél esetében A „súly köbhüvelykenként” egyszerűen egy köbhüvelyknyi anyag tömege (fontban). A rozsdamentes acél esetében ez az ötv...
Tekintse meg többetSoha nem osztjuk meg az e -mail címét és Önt
Bármikor kiléphet, ígérjük.